一、实验目的
1) 熟悉BOOST变换电路工作原理,探究PID闭环调压系统设计方法。
2) 熟悉专用PWM控制芯片工作原理。
3) 探究由运放构成的PID闭环控制电路调节规律,并分析系统稳定性。
二、实验内容
设计基于PWM控制的BOOST变换器,指标参数如下:
- 输入电压:9V~16V;
- 输出电压:24V,纹波<1%;
- 输出功率:20W;
- 开关频率:40kHz;
- 具有过流、短路保护和过压保护功能,并设计报警电路;
- 具有软启动功能;
- 进行Boost变换电路的设计、仿真与电路调试。
三、实验仪器设备
1) 示波器 2) 稳压电源 3) 电烙铁 4) 计算机 5) 万用表
四、研究内容
(一)方案设计
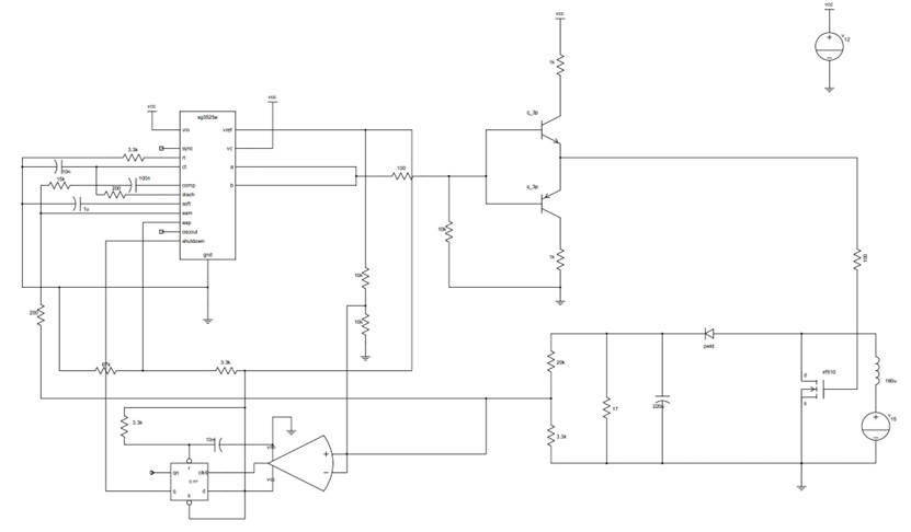
- 电路原理
整个基于PWM控制的BOOST变换器包括PWM发生电路、加法电路、驱动电路、主电路(BOOST)、反馈电路、保护电路六个部分。
① PWM 发生电路的核心是SG3525 芯片,可以使用该芯片得到特定占空比的PWM 波。加法电路将SG3525的两个互补输出叠加而成。
② MOSFET 驱动电路采用两个晶体管连接成的推挽输出,该推挽电路将PWM 的低电压拉低以确MOSFET 的可靠关断。
③ 主电路即BOOST电路。
④ 反馈电路在SG3525 的引脚9 和引脚1 进行PI 调节,使该闭环系统更加稳定和迅速。
⑤ 保护电路主要实现过压保护,利用SG3525 的外部关断信号输入端引脚10(Shutdown),该端接高电平时控制器输出被禁止。


- 电路参数计算和器件参数选择
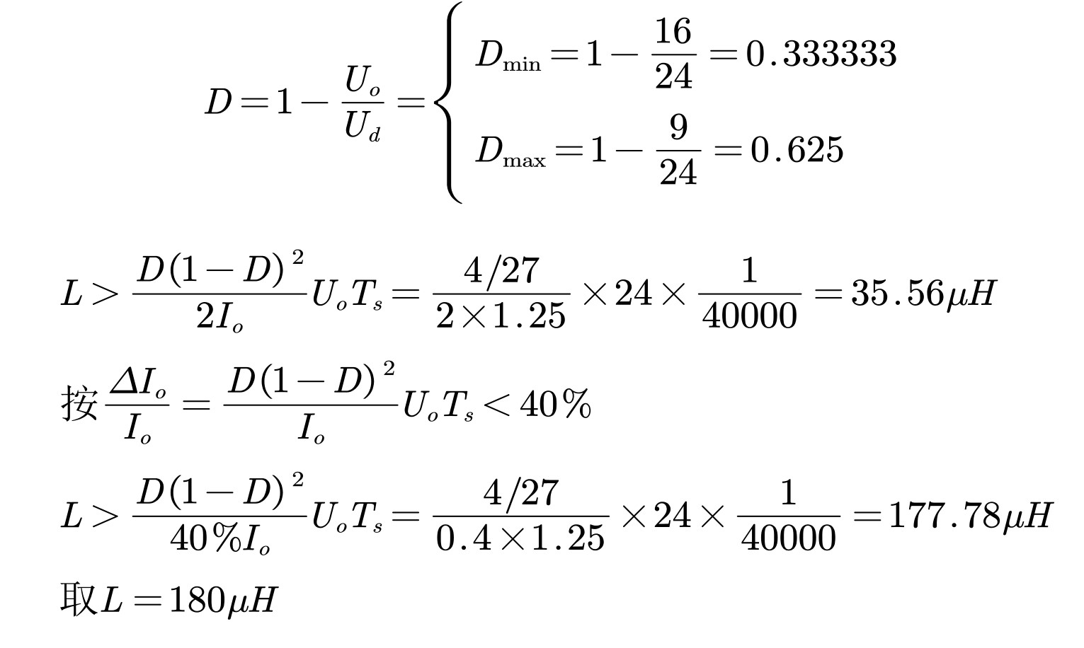
① 电感计算:忽略电路损耗,工作在CCM 状态,按照电路知识有

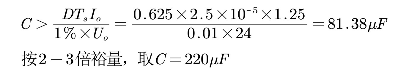
② 电容计算:输出电压纹波小于1%

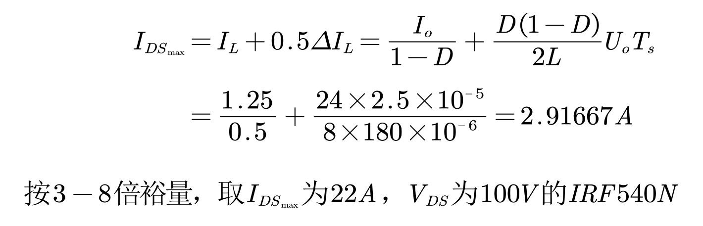
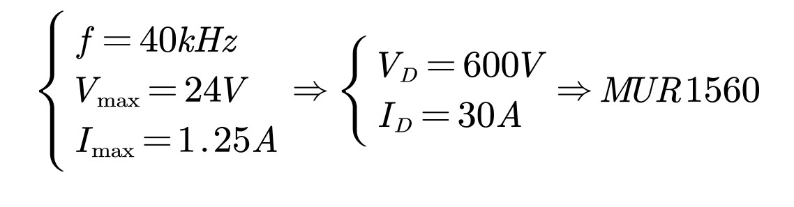
③ 功率开关管:主要参数是功率开关管漏源电流

④ 二极管

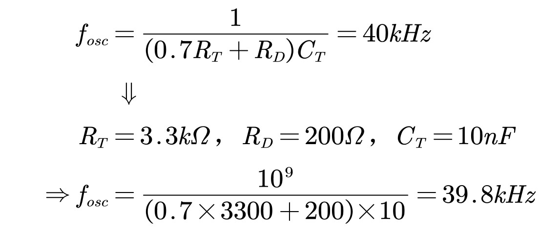
⑤ 3525开关频率计算:在3525的PIN5、6、7引脚接入CT、RT、RD。

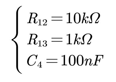
⑥ PI参数计算:在3525的PIN1、2、9引脚接入响应的PI电压调节环节。

⑦ 软启动:在3525的PIN8引脚接入1μF。
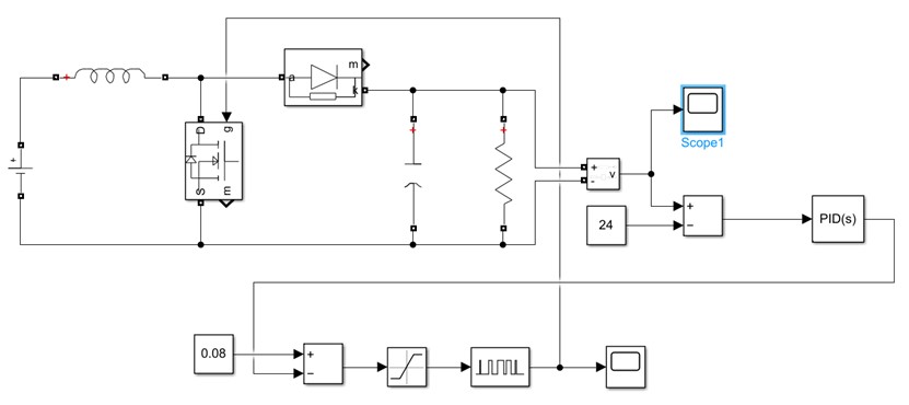
(二)系统仿真验证(含仿真模型、仿真结果与结果分析)
开环闭环仿真在Simulink上搭建仿真模型,开环时使用Pulse Generator模拟SG3525产生PWM波驱动N沟道MOSFET,输入电压为10V时(R=450Ω,实际为500Ω与3500Ω并联等效电阻约为450Ω),手动调节占空比为34%,得到输出电压为24.39V。当输入电压改变时,如不调节PWM波占空比,输出电压将稳定在不同的值。
测试中还发现,R阻值对输出电压有较大影响,R较小时,输出电压一开始跳动剧烈,最终稳定值越接近理论公式计算结果,R较大时,超调量和峰值减小,但最终稳定值与理论公式相差较大。


闭环时,将输出电压和24V比较作差,经过PID(实际只使用PI)控制器,调节PWM波的占空比,当误差为正数时,占空比应调小,当误差为负数时,占空比应调大,设初始占空比为8%,因为误差可能较大,设置PI参数应尽量小,与0.08的数量级相同,用0.2与PID输出相减,经过0-1的限幅得到PWM波的占空比,驱动MOSFET。输入电压为10-16V时,自动调节占空比,得到输出电压均为24V左右。此时最终稳定的输出电压也与R阻值无关。

经过参数整定,调节PI参数为0.001和0.5,调参原则:Kp较小时峰值电压不过大,Ki较大时调节时间较短。下图显示在输入电压分别为10V、12V、15V时的输出电压。观察可见,输入电压越高,输出电压峰值、超调量越高,调节时间均小于0.3秒,最终稳定值都是24V。



保护电路使用Multisim仿真,SG3525产生5V的Vref,经过10k欧的电位器和3.3k欧电阻分压,输入LM358比较器反向端,输出电压经过20k和3.3k电阻分压输入比较器同向端,若同向端电压高于反向端,LM358比较器输出高电压,否则输出低电压,比较器输出电压输入74LS74的CLK时钟信号,由于D触发器的D端已经置高,每当时钟脉冲来临(即同向端电压高于反向端),Q端就会跟随D端输出高电压5V,经过限流电阻(根据LED的工作电流确定),使报警电路的LED灯亮。
同时,PIN5的Q端输出还直接连至SG3525的10脚Shutdown,使其关闭PWM输出,启动过压保护,输出电压不会超过阈值。
通过调节10k欧电位器,可以设置报警电压,电位器阻值越高,反向端电压越小,更易于同向端电压高于反向端,报警电压越低。如下图,设置电位器阻值为1k欧(10%),报警电压为28V。



(三)系统实验验证(含实物图片、结果与结果分析)
1.电路实物图:分模块焊接测试

2.PWM波形调试:调节PIN2、16电位器,得到不同占空比的PWM波形。



3.开环测试:1、9脚短接,10脚直接接地,调节连接在PIN2、16的电位器,使在特定输入电压下的输出端电压为24V。此时改变输入电压,输出电压会随之改变,需要重新调节电位器,由于闭环建立在开环的基础上,只展示闭环的结果。
4.闭环测试:1、9脚加入电容电阻反馈电路,调节PIN2、16电位器,使在特定输入电压下的输出端电压为24V,此时改变输入电压,输出电压基本不变,稳定在24V左右,纹波小于1%,即输出电压在23.76V~24.24V之间。
如下图,在输入电压为9V或11V时,示波器上PWM波形占空比自动改变,使输出电压始终保持在24V左右。

(四)分析与讨论
1. SG3525的工作原理:上述比较详细地描述了主电路、开环闭环、保护电路的原理,保护电路由于时间原因未能做出实物,但由于缺少SG3525的仿真模型,在电路出现问题的时候花费了很多时间去读手册和调试,才在过程中慢慢理解了它的工作原理。
引脚功能:
① Inv.input(引脚1):误差放大器反向输入端。在闭环系统中,该引脚接反馈信号。在开环系统中,该端与补偿信号输入端(引脚 9)相连,可构成跟随器。
② Noninv.input(引脚2):误差放大器同向输入端。在闭环系统和开环系统中,该端接给定信号。根据需要,在该端与补偿信号输入端(引脚 9)之间接入不同类型的反馈网络,可以构成比例、比例积分和积分等类型的调节器。
③ Sync(引脚3):振荡器外接同步信号输入端。该端接外部同步脉冲信号可实现与外电路同步。
④ OSC.Output(引脚4):振荡器输出端。
⑤ CT(引脚5):振荡器定时电容接入端。
⑥ RT(引脚6):振荡器定时电阻接入端。
⑦ Discharge(引脚7):振荡器放电端。该端与引脚 5 之间外接一只放电电阻,构成放电回路。
⑧ Soft-Start(引脚8):软启动电容接入端。该端通常接一只5的软启动电容。
⑨ Compensation(引脚9):PWM 比较器补偿信号输入端。在该端与引脚 2 之间接入不同类型的反馈网络,可以构成比例、比例积分和积分等类型调节器。
⑩ Shutdown(引脚10):外部关断信号输入端。该端接高电平时控制器输出被禁止。该端可与保护电路相连,以实现故障保护。
⑪ Output A(引脚11):输出端A。引脚 11 和引脚 14 是两路互补输出端。
⑫ Ground(引脚12):信号地。
⑬ Vc(引脚13):输出级偏置电压接入端。
⑭ Output B(引脚14):输出端B。引脚 14 和引脚 11 是两路互补输出端。
⑮ Vcc(引脚15):偏置电源接入端。
⑯ Vref(引脚16):基准电源输出端。该端可输出一温度稳定性极好的基准电压。
工作原理:
5、6、7脚电容电阻确定锯齿波的频率,也为PWM波的频率,输入电压为基准电压经过电阻分压后的一条直线,将该直线与锯齿波比较,若锯齿波较小输出低电平,反之输出高电平,如下图。

只有软启动电充电至其上的电压使引脚 8 处于高电平时,SG3525 才开始工作。当 Shutdown(引脚 10)上的信号为高电平时,PWM 锁存器将立即动作,禁止 SG3525 的输出。
故在测试时,若PWM波输出不正常,先用万用表测量PIN8是否为高电平,PIN10是否为低电平,即SG3525是否工作。在SG3525工作状态下,用示波器测量PIN5锯齿波输出是否正常,若不正常,检查焊接是否完好,SG3525可能损坏,若正常,再逐一向后排查问题。
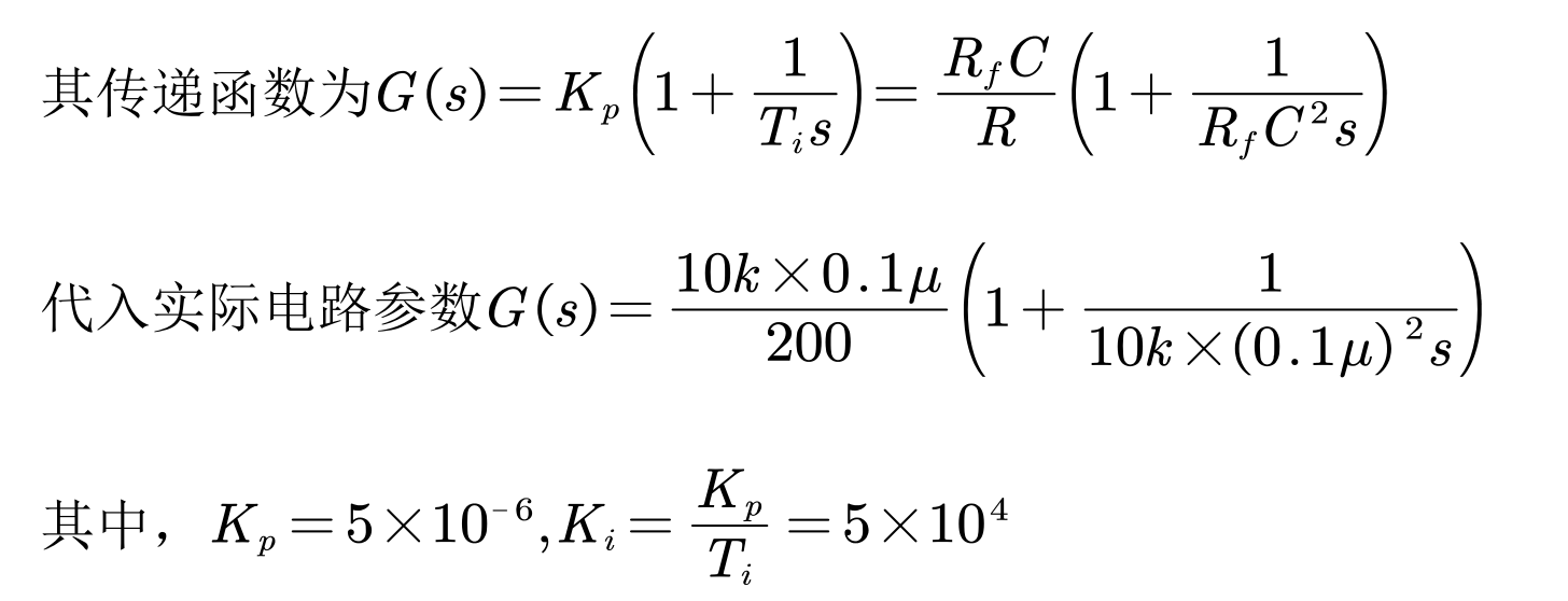
2. 闭环PI参数:参考比例积分环节的电路实现如下,查阅SG3525手册得知PIN1、9之间确实存在一个运算放大器。


与前面所述闭环PI参数有所区别原因是,Simulink仿真中PID输出参数直接用于控制PWM波占空比,而在SG3525中PID输出为与锯齿波比较的直线电压,但两者都是Kp较小、Ki较大,符合前述分析的规律。
(五)感想与体会
在电力电子领域中,BOOST变换器作为一种常用的电源调节装置,其重要性不言而喻。而PWM控制技术作为现代电力电子的核心控制方法,对于提高电源的稳定性和效率具有关键作用。
在学习过程中,我首先对PWM控制和BOOST变换器的基本原理进行了深入了解。PWM,即脉宽调制,通过调节脉冲宽度实现对电能的精确控制。而BOOST变换器则是通过改变开关管的占空比,实现对输出电压的调节。随着学习的深入,我逐渐认识到这两者结合的必要性和优势。
在实验环节,我亲手搭建了基于PWM控制的BOOST电路,并对其进行了详细的测试。实验过程中,我遇到了许多预料之外的问题,如电路稳定性问题、PWM控制的精确度问题、闭环PID调节问题等。但正是这些挑战,让我更深入地理解了理论与实践之间的差距,例如BOOST的升压范围、负载对电路的影响。
在课程报告的准备过程中,我对所学的知识进行了全面的梳理,为了完善报告,我查阅了大量的文献资料,与同学进行了讨论交流。在这个过程中,我不仅提高了自己的学术能力,更培养了团队协作和沟通能力。
回顾整个过程,我收获颇丰,不仅对PWM控制和BOOST电路有更深的理解,更在实际操作中锻炼了自己的综合能力。我明白了理论与实践的结合是学习的关键,只有将理论知识应用到实际中,才能真正掌握一门技术。同时,我也认识到了持续学习的重要性,电力电子技术日新月异,只有不断学习、不断进步,才能跟上时代的步伐。
参考文献
[1] 王兆安,刘进军.电力电子技术[M].北京:机械工业出版社,2009(5).
[2] 李桂丹, 高晗璎, 张春喜. 基于 SG3525 的 DC/DC 直流变换器的研究[J]. 电源技术应用, 2009, 12(1): 11-14.
[3] Kumar C P, Mahesh M. Development of interleaved boost dc-dc converter with closed loop control[C]//2016 IEEE Annual India Conference (INDICON). IEEE, 2016: 1-5.
[4] 李勇, 张代润, 白平, 等. SG3524 与 SG3525 的功能特点及软起动功能的比较[J]. 电源技术应用, 2005, 8(2): 45-47.
[5] Hasaneen BM, Mohammed AA E. DC/DC升压转换器的设计与仿真[C]//2008第12届国际中东电力系统会议。IEEE,2008:335-340.
[6] 陈杰, 张进峰. 基于 Boost 结构的开关电源设计[J]. 苏州市职业大学学报, 2008, 19(3): 23-25.